تعدد الإرسال بتقسيم تعامدي للتردد
| تقنيات التضمين | 
|---|
| التضمين النظيري | 
| AM • SSB • FM • PM • SM | 
| تضمين رقمي | 
| OOK •  FSK •  ASK •  PSK •  QAM  MSK • CPM • PPM • TCM • OFDM  | 
| طيف منثور | 
| FHSS • DSSS | 
| انظر أيضاً: إزالة التضمين | 
في الاتصالات، تعدد الإرسال بتقسيم تعامدي للتردد orthogonal frequency-division multiplexing (اختصاراً OFDM)، هو نوع من الإرسال الرقمي وطريقة لتشفير البيانات الرقمية على ترددات حاملة متعددة. تم تطوير OFDM ليصبح مخططًا شائعًا لـ الاتصال الرقمي ذو النطاق العريض ، يستخدم في تطبيقات مثل البث التلفزيوني الرقمي والصوت ، DSL الوصول إلى الإنترنت ، لاسلكي الشبكة ، شبكات خطوط الطاقة ، و 4G اتصالات المحمول.
OFDM هو مخطط تعدد الإرسال بتقسيم التردد (FDM) يستخدم كطريقة تشكيل رقمية متعددة الأمواج الحاملة. تم تقديمه من قبل روبرت دبليو تشانگ من مختبرات بل في عام 1966.[1][2][3] في OFDM ، تُرسل إشارات حاملة فرعية متعامدة متعددة متقاربة المسافات مع أطياف متداخلة لنقل البيانات بالتوازي.[4]يعتمد التعديل على خوارزميات تحويل فورييه السريع. تم تحسين OFDM بواسطة وينشتاين و إيبرت في عام 1971 مع إدخال الفاصل الزمني للحماية ، مما يوفر تعامدًا أفضل في قنوات الإرسال المتأثرة بالانتشار عبر مسارات متعددة.[5] يتم تشكيل كل موجة حاملة فرعية (إشارة) بمخطط تشكيل تقليدي (مثل تعديل سعة التربيع التربيعي أو تبديل إزاحة الطور) عند معدل الرمز منخفض. وهذا يحافظ على معدلات بيانات إجمالية مماثلة لمخططات التشكيل التقليدية بموجة حاملة واحدة في نفس عرض النطاق.
تتمثل الميزة الرئيسية لـ OFDM على مخططات الموجة الحاملة الفردية في قدرتها على التعامل مع حالات القناة الصارمة (على سبيل المثال ، التخفيف للترددات العالية في سلك نحاسي طويل ، تداخل النطاق الضيق والتخامد الانتقائي للتردد بسبب تعدد المسارات) بدون مرشحات معقدة معدلة. تم تبسيط تسوية القناة لأنه قد يُنظر إلى OFDM على أنه يستخدم العديد من إشارات ضيقة النطاق بدلاً من إشارة واحدة ذات نطاق عريض سريعة التشكيل. يجعل معدل الرمز المنخفض استخدام فاصل الحماية الزمني بين الرموز بشكل سهل ، مما يجعل من الممكن إزالة على التداخل بين الرموز (ISI) واستخدام التكرار وانتشار الزمن (في التلفزيون التناظري) المرئي باسم ghosting والتمويه ، على التوالي) لتحقيق كسب تنوع ، أي تحسين نسبة الإشارة إلى الضجيج. تسهل هذه الآلية أيضًا تصميم شبكات أحادية التردد (SFNs) حيث يرسل العديد من أجهزة الإرسال المتجاورة نفس الإشارة في نفس الوقت في نفس التردد ، حيث يمكن إعادة دمج الإشارات من أجهزة إرسال بعيدة بشكل بناء ، مما يؤدي إلى تداخل نظام الناقل الفردي التقليدي.
في تعدد الإرسال بتقسيم تعامدي مشفر (COFDM) ، تصحيح الخطأ الأمامي (التشفير التلافيفي) ومزج الزمن / التردد بالتناوب المطبقان على الإشارة المرسلة. يتم ذلك للتغلب على الأخطاء في قنوات الاتصالات المتنقلة المتأثرة بـ الانتشار متعدد المسارات و تأثير دوپلر. تم تقديم COFDM من قبل ألارد في عام 1986[6][7][8] فيما يتعلق بـ البث الصوتي الرقمي لمشروع Eureka 147. في الممارسة العملية ، أصبح OFDM مستخدمًا مع هذا التشفير والمزج المتناوب ، بحيث ينطبق المصطلحان COFDM و OFDM على التطبيقات المشتركة.[9][10]
التطبيقات
النسخة السلكية (DMT)
- ADSL و VDSL نفاذ إلى النطاق العريض عبر POTS بأسلاك النحاس
 - DVB-C 2 ، نسخة محسنة من DVB-C معيار كابل التلفزيون الرقمي
 - اتصال خط الطاقة (PLC)
 - ITU-T G.hn ، معيار يوفر شبكات محلية عالية السرعة من الأسلاك المنزلية القائمة (خطوط الكهرباء وخطوط الهاتف والكابلات المحورية)[11]
 - TrailBlazer مودم خط الهاتف
 - الوسائط المتعددة عبر Coax Alliance (MoCA) الشبكات المنزلية
 - DOCSIS 3.1 توصيل النطاق العريض
 
اللاسلكية
- wireless LAN (WLAN) واجهات البث IEEE 802.11a, g, n, ac, ah و HIPERLAN/2
 - أنظمة البث الرقمي DAB/EUREKA 147, DAB+, راديو رقمي عالمي, HD Radio, T-DMB و ISDB-TSB
 - أنظمة التلفزيون الرقمي الأرضية DVB-T و ISDB-T
 - أنظمة التلفزيون المتنقل الأرضي DVB-H, T-DMB, ISDB-T و وصلة إرسال MediaFLO
 - شبكة المنطقة الخاصة اللاسلكية (PAN) النطاق العريض الفائق (UWB) IEEE 802.15.3a التنفيذ المقترح من قبل WiMedia Alliance
 - وضع التنقل لـ MAN لاسلكية / الوصول اللاسلكي عريض النطاق (BWA) قياسي IEEE 802.16e (أو محمول-WiMAX)
 - معيار الوصول اللاسلكي إلى النطاق العريض المتنقل (MBWA) IEEE 802.20
 - الوصلة الهابطة لمعيار النطاق العريض المتنقل من الجيل الرابع 3GPP التطور طويل الأمد (LTE). كانت الواجهة الراديوية تُعرف سابقًا باسم "الوصول عالي السرعة لحزمة OFDM" (HSOPA) ، والذي أصبح اسمه الآن تطور الوصول إلى الراديو الأرضي UMTS (E-UTRA)
 - WLAN IEEE 802.11ax
 
السمات الرئيسية
المميزات
- الكفاءة الطيفية عالية مقارنة بمخططات التشكيل المزدوجة الأخرى النطاق الجانبي ، طيف الانتشار ، إلخ.
 - يمكن بسهولة التكيف مع حالات القناة الصارمة دون معادلة معقدة للمجال الزمني.
 - قوي ضد تداخل القناة المشتركة ضيقة النطاق
 - متين ضد التداخل بين الرموز (ISI) والتخامد الناجم عن الانتشار عبر مسارات متعددة
 - تنفيذ فعال باستخدام تحويل فورييه السريع
 - حساسية منخفضة لأخطاء مزامنة الوقت
 - لا يلزم وجود فلاتر استقبال القنوات الفرعية الموالفة (بخلاف FDM التقليدية)
 - تسهل شبكات أحادية التردد (شبكات SFN) (أي جهاز الإرسال تنوع كلي)
 
العيوب
- حساس لـ إزاحة دوپلر
 - حساسة لمشاكل تزامن التردد
 - نسبة الذروة إلى متوسط القدرة (PAPR) عالية ، مما يتطلب دارات إرسال خطية ، والتي تعاني من ضعف كفاءة الطاقة
 - فقدان الكفاءة الناتج عن البادئة الدورية / الفاصل الزمني للحماية
 
الخصائص ومبادئ التشغيل
التعامدية
التطبيق باستخدام خوارزمية FFT
- MIPS = مليون تعليمة في الثانية
 
Guard interval for elimination of intersymbol interference
المعادلة المبسطة
ترميز القناة والتشابك
النقل التكيفي
OFDM الممد بوصول متعدد
تنوع المجال
مضخم قوة جهاز الإرسال الخطي
(CFc 3.01 dB لأمواج الجيب المستخدمة في التشكيل BPSK و QPSK).
مقارنة الكفاءة بين الحامل المفرد والمتعدد
| S.no. | نوع الإرسال | M في M-QAM | عدد الحوامل الفرعية | معدل البت | طول الألياف | الطاقة عند المستقبل (عند BER ل 10−9) | كفاءة عرض النطاق الترددي | 
|---|---|---|---|---|---|---|---|
| 1. | حامل واحد | 64 | 1 | 10 Gbit/s | 20 km | −37.3 dBm | 6.0000 | 
| 2. | حامل متعدد | 64 | 128 | 10 Gbit/s | 20 km | −36.3 dBm | 10.6022 | 
نموذج النظام القياسي
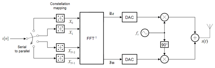
جهاز الإرسال
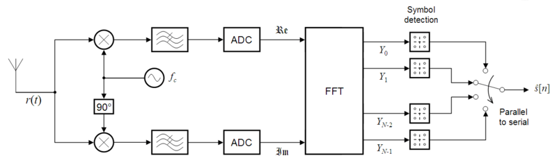
جهاز الإستقبال
الوصف الرياضي
الاستخدام
يستخدم OFDM في:
- الإرسال رقمي عالمي DRM
 - البث الصوتي الرقمي (DAB)
 - التلفزيون الرقمي DVB-T/T2 (الأرضي), DVB-H (محمول باليد), DMB-T/H, DVB-C2 (كابل)
 - لاسلكية LAN IEEE 802.11a, IEEE 802.11g, IEEE 802.11n, IEEE 802.11ac, و IEEE 802.11ad
 - WiMAX
 - Li-Fi
 - ADSL (G.dmt/ITU G.992.1)
 - LTE و LTE متقدمة 4G معايير الهاتف المحمول
 - اتصالات خط طاقة حديثة ضيقة وعريضة النطاق[13]
 
جدول مقارنة الأنظمة
| الاسم القياسي | DAB Eureka 147 | DVB-T | DVB-H | DMB-T/H | DVB-T2 | IEEE 802.11a | 
|---|---|---|---|---|---|---|
| سنة المصادقة | 1995 | 1997 | 2004 | 2006 | 2007 | 1999 | 
| نطاق التردد لمعدات اليوم  | 
174–240 MHz 1.452–1.492 GHz | 470–862 MHz 174–230 MHz | 470–862 MHz | 470–862 MHz | 4,915–6,100 MHz | |
| قناة التباعد, B (MHz)  | 
1.712 | 6, 7, 8 | 5, 6, 7, 8 | 8 | 1.7, 5, 6, 7, 8, 10 | 20 | 
| قياس FFT , k = 1,024 | الوضع I: 2k الوضع II: 512 الوضع III: 256 الوضع IV: 1k  | 
2k, 8k | 2k, 4k, 8k | 1 (حامل واحد) 4k (حامل متعدد)  | 
1k, 2k, 4k, 8k, 16k, 32k | 64 | 
| عدد الأمواج الحاملة الفرعية غير الخامدة, N | الوضعI: 1,536 الوضع II: 384 الوضع III: 192 الوضع IV: 768  | 
الوضع 2K: 1,705 الوضع 8K: 6,817  | 
1,705, 3,409, 6,817 | 1 (حامل واحد) 3,780 (حامل متعدد)  | 
853–27,841 (1K طبيعي إلى 32K وضع الحامل الممتد) | 52 | 
| برنامج تعديل الناقل الفرعي | π⁄4-DQPSK | QPSK,[14] 16QAM أو 64QAM | QPSK,[14] 16QAM أو 64QAM | 4QAM,[14] 4QAM-NR,[15] 16QAM, 32QAM و 64QAM. | QPSK, 16QAM, 64QAM, 256QAM | BPSK, QPSK,[14] 16QAM أو 64QAM | 
| طول الرمز المفيد, TU (μs)  | 
الوضع I: 1,000 الوضع II: 250 الوضع III: 125 الوضعIV: 500  | 
2K الوضع: 224 8K الوضع: 896  | 
224, 448, 896 | 500 (الحامل المتعدد) | 112–3,584 (1K إلى 32K الوضع على 8 MHz قناة) | 3.2 | 
| فاصل زمني إضافي للحماية, TG (جزء من TU)  | 
24.6% (كل الأوضاع) | 1⁄4, 1⁄8, 1⁄16, 1⁄32 | 1⁄4, 1⁄8, 1⁄16, 1⁄32 | 1⁄4, 1⁄6, 1⁄9 | 1/128, 1/32, 1/16, 19/256, 1/8, 19/128, 1/4. (For 32k أقصى وضع 1/8)  | 
1⁄4 | 
| تباعد الناقل الفرعي (Hz)  | 
الوضع I: 1,000 الوضع II: 4,000 الوضع III: 8,000 الوضع IV: 2,000  | 
الوضع 2K : 4,464 الوضع 8K : 1,116  | 
4,464, 2,232, 1,116 | 8 M (حامل واحد) 2,000 (حامل متعدد)  | 
279–8,929 (32K أقل إلى الوضع 1K) | 312.5 K | 
| معدل بت الشبكة, R (Mbit/s)  | 
0.576–1.152 | 4.98–31.67 (typically 24.13)  | 
3.7–23.8 | 4.81–32.49 | بشكل نموذجي 35.4 | 6–54 | 
| ربط الكفاءة الطيفية R/B (bit/s·Hz)  | 
0.34–0.67 | 0.62–4.0 (typ. 3.0) | 0.62–4.0 | 0.60–4.1 | 0.87–6.65 | 0.30–2.7 | 
| FEC داخلي | Conv. تشفير مع معدلات رمز حماية خطأ متساوية: 1⁄4, 3⁄8, 4⁄9, 1⁄2, 4⁄7, 2⁄3, 3⁄4, 4⁄5 حماية خطأ غير متكافئة مع av. معدلات رمز:  | 
Conv.تشفير مع معدلات الكود:
 1⁄2, 2⁄3, 3⁄4, 5⁄6, or 7⁄8  | 
Conv. تشفير مع معدلات الكود:
 1⁄2, 2⁄3, 3⁄4, 5⁄6, or 7⁄8  | 
LDPC مع معدلات الكود:
 0.4, 0.6, أو 0.8  | 
LDPC: 1⁄2, 3⁄5, 2⁄3, 3⁄4, 4⁄5, 5⁄6 | Conv. تشفيرمع معدلات الكود:
 1⁄2, 2⁄3, أو 3⁄4  | 
| FEC خارجي (إن وجد) | RSاختياري (120, 110, t = 5) | RS (204, 188, t = 8) | RS (204, 188, t = 8) + MPE-FEC | BCH (762, 752 كود) | كود BCH | |
| سرعة السفر القصوى (km/h)  | 
200–600 | 53–185, حسب تردد الإرسال  | 
||||
| عمق زمن  المزج بالتناوب (ms)  | 
384 | 0.6–3.5 | 0.6–3.5 | 200–500 | حتى 250 (500 مع إطار ملحق) | |
| ناقل تكيفي, أن وجد  | 
لا يوجد | لا يوجد | لا يوجد | لا يوجد | ||
| طريقة الوصول المتعدد (إن وجد)  | 
لا يوجد | لا يوجد | لا يوجد | لا يوجد | ||
| مصدر التعليمات البرمجية النموذجي | 192 kbit/s MPEG2 Audio layer 2  | 
2–18 Mbit/s Standard - HDTV H.264 أو MPEG2  | 
H.264 | غير معرف (Video: MPEG-2, H.264 و/أو AVS Audio: MP2 أو AC-3)  | 
H.264 أو MPEG2 (Audio: AAC HE, دولبي ديجيتال AC-3 (A52), MPEG-2 AL 2.)  | 
ADSL
تكنولوجيا خط الطاقة
شبكات المناطق المحلية وشبكات المناطق الكبرى اللاسلكية
شبكات المناطق الشخصية اللاسلكية
كما يتم استخدام OFDM الآن في WiMedia/Ecma-368 standard للاتصالات اللاسلكية عالية السرعة شبكة المنطقة الخاصة في النطاق الترددي العريض للغاية 3.1 - 10،6 GHz (انظر MultiBand- OFDM).
بث الراديو الرقمي الأرضي والتلفزيون
النطاق العريض-الفائق
Wavelet-OFDM
على جانب جهاز الاستقبال ، يتم استخدام مجموعة التحليل لإزالة تشكيل الإشارة مرة أخرى. تحتوي هذا المجموعة على تحويل عكسي
يليها -مضاعف إرسال الحزمة آخر. العلاقة بين وظيفتي التحويل هي
التاريخ
انظر أيضاً
- ATSC standards
 - Carrier interferometry
 - N-OFDM
 - Single-carrier FDMA (SC-FDMA)
 - Single-carrier frequency-domain-equalization (SC-FDE)
 
المصادر
- ^ Weinstein, S. B. (November 2009). "The history of orthogonal frequency-division multiplexing". IEEE Communications Magazine. IEEE Communications Magazine ( Volume: 47, Issue: 11, November 2009 ). 47 (11): 26–35. doi:10.1109/MCOM.2009.5307460.
 - ^ خطأ استشهاد: وسم 
<ref>غير صحيح؛ لا نص تم توفيره للمراجع المسماةchang - ^ خطأ استشهاد: وسم 
<ref>غير صحيح؛ لا نص تم توفيره للمراجع المسماةpatent - ^ webe.org - 2GHz BAS Relocation Tech-Fair, COFDM Technology Basics. 2007-03-02
 - ^ خطأ استشهاد: وسم 
<ref>غير صحيح؛ لا نص تم توفيره للمراجع المسماةweinstein - ^ WO patent 8800417
 - ^ "Principles of modulation and channel coding for digital broadcasting for mobile receivers" (PDF). EBU Technical Review n°224, p.187. August 1987.
 - ^ Le Floch, B.; Alard, M.; Berrou, C. (1995). "Coded orthogonal frequency division multiplex [TV broadcasting]". Proceedings of the IEEE. 83 (6): 982–996. doi:10.1109/5.387096. Archived from the original on 2014-07-03.
 - ^ Akansu, Ali; et al. (1998). "Orthogonal transmultiplexers in communication: a review" (PDF). IEEE Transactions on Signal Processing. IEEE Trans. On Signal Processing, Vol. 46, No. 4, April 1998. 46 (4): 979–995. Bibcode:1998ITSP...46..979D. CiteSeerX 10.1.1.46.3342. doi:10.1109/78.668551.
 - ^ Yang, James Ching-Nung (October 10, 2001). "What is OFDM and COFDM?". Shoufeng, Hualien 974, Taiwan: Department of Computer Science and Information Engineering National Dong Hwa University. Retrieved 2017-04-16.
{{cite web}}: CS1 maint: location (link) - ^ Ben-Tovim, Erez (February 2014). "ITU G.hn - Broadband Home Networking". In Berger, Lars T.; Schwager, Andreas; Pagani, Pascal; Schneider, Daniel M. (eds.). MIMO Power Line Communications. Devices, Circuits, and Systems. CRC Press. pp. 457–472. doi:10.1201/b16540-16. ISBN 9781466557529.
 - ^ خطأ استشهاد: وسم 
<ref>غير صحيح؛ لا نص تم توفيره للمراجع المسماةce883 - ^ Berger, Lars T.; Schwager, Andreas; Pagani, Pascal; Schneider, Daniel M., eds. (February 2014). "Introduction to Power Line Communication Channel and Noise Characterisation". MIMO Power Line Communications: Narrow and Broadband Standards, EMC, and Advanced Processing. Devices, Circuits, and Systems. CRC Press. pp. 3–37. doi:10.1201/b16540-1. ISBN 9781466557529.
 - ^ أ ب ت ث 4QAM ما يعادل QPSK
 - ^ NR يشير إلى كود نوردستروم روبنسون
 
قراءات إضافية
- Bank, M. (2007). "System free of channel problems inherent in changing mobile communication systems". Electronics Letters. 43 (7): 401–402. doi:10.1049/el:20070014.
 - M. Bank, B. Hill, Miriam Bank. A wireless mobile communication system without pilot signals Patent PCT/Il N 2006000926, Patent PCT International Application N0 PCT/IL 2006000926. Patent No. 7,986,740, Issue date: 26 July 2011
 
وصلات خارجية
- Numerous useful links and resources for OFDM - WCSP Group - University of South Florida (USF)
 - WiMAX Forum, WiMAX, the framework standard for 4G mobile personal broadband
 - Stott, 1997 [1] Technical presentation by J H Stott of the BBC's R&D division, delivered at the 20 International Television Symposium in 1997; this URL accessed 24 January 2006.
 - Page on Orthogonal Frequency Division Multiplexing at https://web.archive.org/web/20090325005048/http://www.iss.rwth-aachen.de/Projekte/Theo/OFDM/node6.html accessed on 24 September 2007.
 - A tutorial on the significance of Cyclic Prefix (CP) in OFDM Systems.
 - Siemens demos 360 Mbit/s wireless
 - An Introduction to Orthogonal Frequency Division Multiplex Technology
 - Short Introduction to OFDM - Tutorial written by Prof. Debbah, head of the Alcatel-Lucent Chair on flexible radio.
 - Short free tutorial on COFDM by Mark Massel formerly at STMicroelectronics and in the digital TV industry for many years.
 - A popular book on both COFDM and US ATSC by Mark Massel
 - OFDM transmission step-by-step – online experiment
 - Simulation of optical OFDM systems