گليسرالدهيد 3-فوسفات
| الأسماء | |
|---|---|
| اسم أيوپاك
 2-hydroxy-3-oxopropyl dihydrogen phosphate 
 | |
| المُعرِّفات | |
| رقم CAS | |
3D model (JSmol) 
 | 
|
| مرجع بايلستاين | 1725008 | 
| ChEBI | |
| ChEMBL | |
| ChemSpider | |
| DrugBank | |
| ECHA InfoCard | 100.008.839 | 
| رقم EC | 
  | 
| KEGG | |
| عناوين مواضيع طبية MeSH | |
PubChem CID 
 | 
|
| UNII | |
CompTox Dashboard (EPA) 
 | 
|
  | |
  | |
| الخصائص | |
| الصيغة الجزيئية | C3H7O6P | 
| كتلة مولية | 170.058 | 
| نقطة الانصهار | |
ما لم يُذكر غير ذلك، البيانات المعطاة للمواد في حالاتهم العيارية (عند 25 °س [77 °ف]، 100 kPa).  | |
| مراجع الجدول | |
گليسرالدهيد 3-فوسفات (Glyceraldehyde 3-phosphate)، يُعرف أيضاً بثلاثي الفوسفات ({{إنج1|triose phosphate})}، أو 3-فوسفوگليسرالدهيد (3-phosphoglyceraldehyde)، ويُختصر G3P، GA3P، GADP، GAP، TP، GALP أو PGAL، هو مستقلب يتواجد كوسيط في العديد من المسارات الأيضية المركزية لجميع العضيات.[2][3] بصيغة كيميائية H(O)CCH(OH)CH2OPO32-، هذا الأنيون هو إستر أحادي الفوسفات من الگليسرالدهيد.
كوسيط في تحلل وتخليق الگلوكوز
التشكل
D-glyceraldehyde 3-phosphate is formed from the following three compounds in reversible reactions:
قالب:Complex enzymatic reaction Compound C05378 at KEGG Pathway Database. Enzyme 4.1.2.13 at KEGG Pathway Database. Compound C00111 at KEGG Pathway Database. Compound C00118 at KEGG Pathway Database.
The numbering of the carbon atoms indicates the fate of the carbons according to their position in fructose 6-phosphate.
- Dihydroxyacetone phosphate (DHAP), catalyzed by triose phosphate isomerase.
 
| Dihydroxyacetone phosphate | {{{foward_enzyme}}} | D-glyceraldehyde 3-phosphate | |
| {{{minor_foward_substrate(s)}}} | {{{minor_foward_product(s)}}} | ||
 
 | |||
| triose phosphate isomerase | |||
Compound C00111 at KEGG Pathway Database.Enzyme 5.3.1.1 at KEGG Pathway Database.Compound C00118 at KEGG Pathway Database.
- 1,3-bisphosphoglycerate (1,3BPG), catalyzed by glyceraldehyde 3-phosphate dehydrogenase.
 
كركيزة
- To produce 1,3-bisphospho-D-glycerate in glycolysis.
 
| glyceraldehyde 3-phosphate | {{{foward_enzyme}}} | D-glycerate 1,3-bisphosphate | |
| {{{minor_foward_substrate(s)}}} | {{{minor_foward_product(s)}}} | ||
| NAD+ + Pi | NADH + H+ | ||
Compound C00118 at KEGG Pathway Database. Enzyme 1.2.1.12 at KEGG Pathway Database. Reaction R01063 at KEGG Pathway Database. Compound C00236 at KEGG Pathway Database.
D-glyceraldehyde 3-phosphate is also of some importance since this is how glycerol (as DHAP) enters the glycolytic and gluconeogenic pathways. Furthermore, it is a participant in and a product of the pentose phosphate pathway.
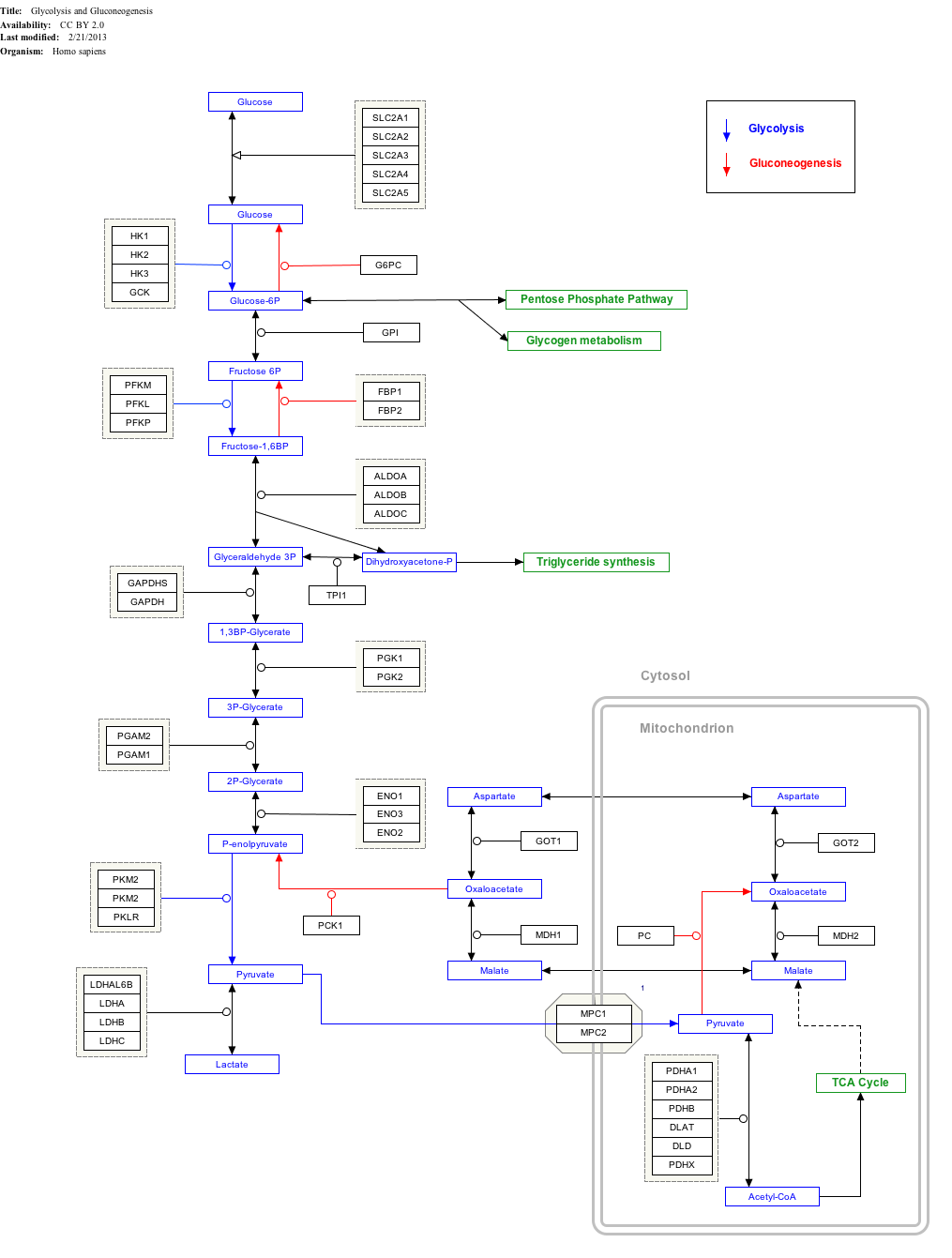
خريطة المسار التفاعلي
|Click on genes, proteins and metabolites below to link to respective articles. [§ 1]
- ^ The interactive pathway map can be edited at WikiPathways: "GlycolysisGluconeogenesis_WP534".
 
كوسيط في التمثيل الضوئي
During plant photosynthesis, 2 equivalents of glycerate 3-phosphate (GP; also known as 3-phosphoglycerate) are produced by the first step of the light-independent reactions when ribulose 1,5-bisphosphate (RuBP) and carbon dioxide are catalysed by the rubisco enzyme. The GP is converted to D-glyceraldehyde 3-phosphate (G3P) using the energy in ATP and the reducing power of NADPH as part of the Calvin cycle. This returns ADP, phosphate ions Pi, and NADP+ to the light-dependent reactions of photosynthesis for their continued function. RuBP is regenerated for the Calvin cycle to continue.
G3P is generally considered the prime end-product of photosynthesis and it can be used as an immediate food nutrient, combined and rearranged to form monosaccharide sugars, such as glucose, which can be transported to other cells, or packaged for storage as insoluble polysaccharides such as starch.
Balance sheet
6 CO2 + 6 RuBP (+ energy from 12 ATP and 12 NADPH) →12 G3P (3-carbon)
10 G3P (+ energy from 6 ATP) → 6 RuBP (i.e. starting material regenerated)
2 G3P → glucose (6-carbon).
في التخليق الحيوي للتريبتوفان
Glyceraldehyde 3-phosphate occurs as a byproduct in the biosynthesis pathway of tryptophan, an essential amino acid that cannot be produced by the human body.
في التخليق الحيوي للثيامين
Glyceraldehyde 3-phosphate occurs as a reactant in the biosynthesis pathway of thiamine (Vitamin B1), another substance that cannot be produced by the human body.
المصادر
- ^ "metabocard for Glycerol 3-phosphate".
 - ^ Berg, Jeremy M.; Tymoczko, Stryer (2002). Biochemistry (5th ed.). New York: W.H. Freeman and Company. ISBN 0-7167-3051-0.
 - ^ Nelson, D. L.; Cox, M. M. "Lehninger, Principles of Biochemistry" 3rd Ed. Worth Publishing: New York, 2000. ISBN 1-57259-153-6.
 
وصلات خارجية
- D-Glyceraldehyde 3-phosphate and the reactions and pathways it participates in, from the KEGG PATHWAY Database
 - Glyceraldehyde 3-phosphate and the reactions and pathways it participates in, from the KEGG PATHWAY Database
 
- Articles with hatnote templates targeting a nonexistent page
 - ECHA InfoCard ID from Wikidata
 - Articles containing unverified chemical infoboxes
 - Chembox image size set
 - Chemical articles with unknown parameter in Chembox
 - Short description is different from Wikidata
 - تحلل السكر
 - تمثيل ضوئي
 - فوسفات عضوي
 - مسار فوسفات الپنتوز
 - إسترات الفوسفات
 - Metabolic intermediates
 


