معاوقة كهربائية مزدوجة

(تم التحويل من Dual impedance)
تحليل خطي للشبكات
العناصر

المقاومةCapacitor button.svgInductor button.svgمفاعلةمعاوقةVoltage button.svg
مواصلةElastance button.svgBlank button.svgSusceptance button.svgمسامحةCurrent button.svg

المكونات

Resistor button.svg Capacitor button.svg Inductor button.svg Ohm's law button.svg

دوائر التوالي والتوازي

Series resistor button.svgParallel resistor button.svgSeries capacitor button.svgParallel capacitor button.svgSeries inductor button.svgParallel inductor button.svg

تحويلات المعاوقة

Y-Δ transform Δ-Y transform star-polygon transforms Dual button.svg

مبرهنات المولد مبرهنات الشبكة

Thevenin button.svgNorton button.svgMillman button.svg

KCL button.svgKVL button.svgTellegen button.svg

أساليب تحليل الشبكات

KCL button.svg KVL button.svg Superposition button.svg

Two-port parameters

z-parametersy-parametersh-parametersg-parametersAbcd-parameter button.svgS-parameters

المعاوقة المزدوجة والشبكة المزدوجة، هي مصطلحات تستخدم في مجال شبكات التحليل الإلكترونية. ازدواج المقاومة هو المعكوس الجبري لها . لاحظ أن و مزدوج لكل منهما that is, they are reciprocal. For this reason the dual impedance is also called the inverse impedance. The dual of a network of impedances is that network whose impedance is . In the case of a network with more than one port the impedance looking into each of the ports must simultaneously be dual.

Another way of stating this is that the dual of is the admittance .

This is consistent with the definition of dual as being that circuit whose voltages and currents are interchanged since and

قالب:Complex Z

Scaled and normalised duals


ازدواج عناصر الدائرة الأساسية

العنصر Z الازدواح Z'
Resistor R
Conductor G = R
Conductor G
Resistor R = G
Inductor L
Capacitor C = L
Capacitor C
Inductor L = C
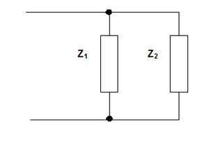
Series impedances Z = Z1 + Z2
Parallel admittances Y = Z1 + Z2
Parallel impedances 1/Z = 1/Z1 + 1/Z2
Series admittances 1/Y = 1/Z1 + 1/Z2
Voltage generator V
Current generator I = V
Current generator I
Voltage generator V = I

طريقة بيانية

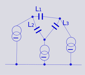
مثال - شبكة نجمية

A star network of inductors, such as might be found on a three-phase transformer
Attaching generators to the three ports
Nodes of the dual network
Components of the dual network
The dual network with the original removed and slightly redrawn to make the topology clearer
The dual network with the notional generators removed



مثال- شبكة كوير

A low-pass filter implemented in Cauer topology
Attaching generators to the input and output ports
Nodes of the dual network
Components of the dual network
The dual network with the original removed and slightly redrawn to make the topology clearer



المصادر

  • Ghosh, Smarajit, Network Theory: Analysis and Synthesis, Prentice Hall of India