رسم هندسي

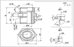
Engineering drawing of a machine tool part


يعد الرسم الهندسي بمثابة اللغة التي يتمكن المهندس من خلالها من التعبير عن أي تصميم على النحو الذي يمكن للآخرين فهمه وتطويره وتصنيعه. ويكون هذا الرسم وفقا لمعايير متفق عليها بالنسبة للشكل والتسمية والمظهر والحجم وما إلى ذلك. ويهدف الرسم الهندسي إلى استيعاب كافة الخواص الهندسية لمكون ما أو منتج ما بشكل واضح بما لا يدع مجالا للبس. والغاية الأساسية من الرسم الهندسي هي توصيل المعلومات الأساسية التي تمكِّن المُصنِّع من إنتاج هذا المكون.

والرسم الهندسي والرسم الميكانيكي أو رسم الآلات هي لغات فنية وهندسية ومثلها أي لغة تستخدم في التفاهم ونقل الأفكار الهندسية بين الناس، سواء كان ذلك عن طريق الكتابة (تحضير رسومات) أو عن طريق القراءة (دراسة رسومات سبق تحضيرها). والرسم الهندسي ليس رسمًا كالمعروف بين الناس، فهو يختلف في صورته ونظام تحضيره وما يحويه من بيانات تتصل بالصناعة والتصميم والإنتاج الصناعي، فأية صورة فوتوغرافية لأي قطعة ميكانيكية لا يمكن اعتبارها رسمًا ميكانيكيًا لعدم فائدتها للصناعة والإنتاج والدراسة الهندسية الأمر الذي يحتاج إلى معرفة المقاسات، والمواد المصنوعة منها.

والرسم الهندسي كلغة له قواعده وأسسه ولا يمارسه إلا من درسه دراسة سليمة ومدى التحصيل فيه يتوقف على المران الكامل والدقة التامة. وتستخدم لغة الرسم بين رجال الصناعة (عمال ومشرفين ومهندسين مخترعين) كوسيلة وهي الوسيلة الوحيدة للتفاهم بينهم على ما يرغبون في إنتاجه وصناعته من منتجات لاستخدامها في حياة الإنسان كما أنها اللغة التي يمكن الاحتفاظ بالمستندات التي تتصل بالاختراعات والتصميمات فيسهل الرجوع إليها عند الحاجة.

والرسومات هي البديل عن الأجسام والمصنوعات، بمعنى أنه إذا كانت هناك قطعة في بلد ما وكانت رسوماتها في بلد آخر فإن كلاهما يكون ملمًا بجميع البيانات والمواصفات والمقاسات لهذه القطعة والرسم قد يكون رسمًا بالقلم الرصاص أو قد يكون بالحبر الصيني الأسود.

لمحة تاريخية

كان الرسم مع بداية الحياة أداة التفاهم بين الناس، وأداة تعبير عما يجول في الخاطر قبل الكتابة. وتعد سفينة نوح عليه السلام من أشهر التصاميم في الأزمان الغابرة.

وقد عُثر على بعض الرسوم والمخططات لبعض الأدوات التي كان يستخدمها الإنسان، ووجدت رسوم خاصة بالقلاع والأبراج والمعابد التي بُنيت ومازالت آثارها قائمة. ومن أهم هذه الآثار ما اتفق على تسميته عجائب الدنيا السبع، ومنها أهرام مصر، وبرج بابل في العراق وغيرها.

ولا يمكن إشادة كل هذه الأبنية بتفاصيلها الدقيقة قبل أن يفكر مهندسوها بتصميمها وتحضير رسومها، الأمر الذي يؤكد أهمية الرسم في حياة الشعوب والإفادة منه في التصميم.

ومع تطور الشعوب والحضارات، أخذت الأدوات والعدد تدخل حياة الأمم، وقد لجأ أرخميدس عام 212ق.م إلى الرسم لإعداد الآلات والمعدات الحديثة وإنتاجها، لتنظيم الدفاع عن مدينة سرقسطة أمام جيوش الرومان، وكانت رسومه على شكل منظور تقريبي لآلاته ومعداته التي فكر فيها، (كانت آخر كلماته للجندي الروماني الذي قتله: «لا تمس رسومي»). وممن استخدم فكرة الرسم الهندسي، لتصميم آلة، رجل روماني في عام 30ق.م واسمه فتروفيوس كان يعمل في مجال الميكانيك، فصمم مضخة من البرونز لعمال المناجم.

وقد كان للحضارة العربية والإسلامية الأثر الكبير في تطور تقانات التصنيع، وتذخر كتب التراث برسوم الآلات الميكانيكية والهدروليكية المعقدة التي تركها المهندسون العرب، وأنجبت الحضارة العربية والإسلامية عدداً من المخترعين والمهندسين الذين وضعوا أسس التطور الصناعي الذي شهدته أوربا في عصر النهضة، وتركوا تراثاً لا يحصى من المراجع العلمية والمخطوطات.

ومن أشهر الكتب العربية العلمية التطبيقية التي عُنيت بالتصميم والهندسة الميكانيكية والهدروليكية، ومازالت أفكارها ورسوماتها تستوحى في تصاميم الآلات الحديثة ثلاثة كتب هي:

ـ كتاب «الحيل»، من وضع أبناء موسى بن شاكر (في القرن 3هـ/9م).

ـ «الجامع بين العلم والعمل النافع في صناعة الحيل»، لبديع الزمان أبو العز بن إسماعيل الجزري (ق 6هـ/ 12م).

ـ كتاب «الطرق السنية في الآلات الروحانية»، لتقي الدين بن معروف بن راصد الدمشقي (ق 10هـ/16م).

وهذه الكتب الثلاثة لا تعدو كونها حلقات في سلسلة التقاليد والمراجع العربية الإسلامية الهندسية الميكانيكية التي أسهمت في الثورة الصناعية في الغرب في القرن السادس عشر الميلادي.

وحسبنا على سبيل المثال وليس الحصر الإشارة إلى شهادة دونالد هيل أحد الباحثين الأوربيين، حول أعمال وإنجازات العرب التكنولوجية في تعليقه على كتاب الجزري قائلاً: «لم تكن بين أيدينا حتى العصور الحديثة أي وثيقة، من حضارة أخرى في العالم تضاهي ما في كتاب الجزري من غنى التصاميم والشروحات الهندسية المتعلقة بطرائق الصنع والتجميع للآلات». وقد انفرد العلماء العرب في الرسم والتصميم عمن سبقوهم برسوم متعلقة بالتحكم الآلي واستخدام الصمامات التي تعمل تلقائياً، كأمثال بني موسى في كتابهم «الحِيَل» (الشكل -1).

آلة للافع الماء نحو عشرين ذراعاً بدولاب من ماء جار.jpg

وفي عصر النهضة يأتي اسم ليوناردو دافنشي في مقدمة من أسهم في تطوير الرسم الصناعي والهندسي برسومه وتصميماته التي تركها، ويعزى فضل تطويـر الرسم الهندسي واستخدام الخطوط الهندسـية في ترتيب المناظـر (المساقط) للمهندسين الإيطاليين عامـة، ومن أشهرهم ليون باتيستا ألبرتي L.B.Alberti ت(1404- 1472).

أما البداية الحقيقية للرسم الهندسي الحديث فتأتي في القرن الثامن عشر، وتحديداً في عام 1727، حين اتُفِق على قواعد ومصطلحات وشروط دولية عامة لتوحيد أعمال الرسم الهندسي وممارسته في إخراج التصاميم الفنية، واعتمد وضع الأطوال على المناظر (الأبعاد على المساقط) بعد أن كانت تُتْرك للرسام يتصرف بها بحسب خبرته ومرانه لإخراج التصاميم والرسوم وتنفيذها.

منذ ذلك الحين أخذت الدقة في الإنتاج طريقها، وبدأ الإنتاج الكمي واستخدام الآلات الدقيقة، وظهرت فكرة إنتاج قطع التبديل، وبدأت الأبنية الشاهقة وتصاميمها تأخذ طريقها إلى التنفيذ.

غير أن فكرة رسم المساقط وترتيبها بقيت من دون تطور إلى القرن العشرين، إلى أن أوضح العالم الفرنسي الرياضي «كاسبار مونج» طريقة تمثيل الأجسام في مستويين متعامدين، أعطت للرسم تكامله وفتحت له آفاقاً واسعة، ومازالت تُسـتَخدم وتُدرس إلى اليوم، وصار بالإمكان استنتاج المسقط الغائب (المسقط الثالث) بهذه الطريقة، كما أمكن إظهار الأجسام وتمثيلها بالتفاصيل الجزئية الكاملة. ومنذ ذلك الحين، دخل التخصص مجال الرسم الهندسي والصناعي، وصار وجود مكتب الرسم الهندسي ضرورة ملحة في جميع المنشآت الصناعية، ويتبع له حُكماً أقسام أخرى مثل قسم الطباعة وقسم التخطيط وقسم الرسامين.

أسس الرسم الهندسي

يعتمد الرسم الهندسي على الإلمام التام بالطرق الصحيحة والمعرفة الجيدة في إنشاء الأشكال الهندسية المستوية والفراغية. أما الأشكال الهندسية نفسها فهي مجموعة من النقاط والخطوط والسطوح تعتمد في بنائها على عناصر هندسية أساسية هي:

ـ النقطة: كل أثر مجرد ليس له أبعاد ويحدد بتقاطع خطين مستقيمين.

ـ المستقيم: الأثر الناتج عن تحرك النقطة، وله بعد واحد هو الطول.

ـ السطح: الأثر الناتج عن حركة خط محدد، ويكون مستوياً أو منحنياً، وله طول وعرض، وهو الحد الفاصل للجسم عما يحيط به من الفراغ.

أما المنهاج الأساسي لتعلم وتعليم الرسم فيبدأ من الأسس والمواضيع الرئيسية الآتية:

خطوط الرسم، طرائق الرسم، الإسقاط بنوعيه المركزي والمتوازي، استنتاج المسقط الغائب (الثالث)، رسم المنظور وطرائقه، مفهوم القطاعات وأنواعها للأجسام الهندسية والقطع الميكانيكية، درجات الدقة والتفاوتات للأسطح المشغولة، الرسم التجميعي.

الخواص العامة للرسم الهندسي

المساقط الأساسية الثلاث: رأسي وأفقي وجانبي

تنقل الرسومات الهندسية المعلومات الأساسية التالية:

  • الشكل الهندسي: وكيفية رؤية الجزء المرسوم من أكثر من منظور
  • الأبعاد (Dimensions): التي تحدد حجم الجسم من خلال وحدات معينة للقياس
  • التسامحات (Tolerances): المقدار المسموح به الذي قد تختلف به الأبعاد في الواقع عن التصميم.
  • المادة: المصنوع منها أحد السطوح أو الأجزاء.
  • نعومة السطح (Surface Finish): مدى تدرج السطح من الخشونة إلى النعومة.

يجب مراعاة تناسق الخطوت فيجب أن يكون الرسم كله بنفس الدرجة تقريبًا، وعند التهشير يجب أن يكون خط التهشير خفيف نسبيًا.

أدوات الرسم الهندسي

عادة يتطلب الأمر استخدام بعض الأدوات للرسم، ومن أهمها المسطرة حرف تي T والفرجار (البرجل) والمثلثات وأقلام رصاص ولوحة للرسم، وتوضع هذه اللوحة على طاولة يمكن تعديل درجة ميلها، إلا أنه هناك نوع من الرسم الهندسي وهو الرسم الحر يمكن أن يكون فقط من خلال قلم رصاص فقط، وقد يكون على هيئة اسكتش أو ما يطلق عليه اليد الحرة.. وعموما فقد أصبح الرسم الهندسي في أغلب الأحيان يتم باستخدام برامج الكمبيوتر مثل أوتوكاد.

قلم الرصاص

يستعمل للرسم الهندسي أقلام رصاص ذات قساوة معينة، حيث يؤثر نوع قلم الرصاص تأثيرًا كبيرًا على نظافة اللوحة ودقة الرسومات، ويستعمل عادة نوعان من قلم الرصاص، الأول يكون من النوع القياسي، ويستعمل في المراحل الأولية، حيث يرسم المطلوب بخطوط خفية، ثم يستعمل قلم آخر أقل قساوة من الأول لتوضيح الخطوط المرسومة.

لوحة الرسم

وتصنع من أخشاب معينة لها خاصية النعومة والمتانة لتتحمل الاستعمال اليومي وتقاوم التغيرات الطبيعية، وتجهز بقطعة من خشب الأبنوس المتين وذلك للمحافظة على الأطراف والحواف التي تنزلق عليها مسطرة حرف T. وللوحات الرسم أبعاد، ومقاييس مختلفة.

المسطرة حرف T

ولها أهمية كبيرة في عملية الرسم، حيث تستعمل لرسم الخطوط الأفقية المتوازية ويجب أن تختار اختيارًا جيدًا ويعتنى بها أثناء الاستعمال، كما ويجب أن تحفظ في وضع مناسب في حالة عدم الاستعمال، وتصنع من مواد مختلفة، فمنها مصنوع من الخشب الماهوجني حيث يجهز طرفها بشريط من الأبانوس، ومنها ما هو مصنوع من البلاستيك الشفاف.

المثلثات

ولها أنواع كثيرة ويغلب استعمال نوعين منها في الرسم هي:

  1. المثلث 30°/60°/90°
  2. المثلث 45°/45°/90°

وتستعمل في رسم الخطوط العمودية والمائلة، وتصنع المثلثات إما من الخشب أو من البلاستيك الشفاف.

مسطرة القياس

وهي من الأدوات الهامة، فالمسطرة هي التي نتخذ منها القياس للخطوط والرسومات وعليها يتوقف دقة الرسم. ولا يجب استعمالها مطلقًا لرسم الخطوط بل تستعمل المثلثات لهذه الغاية.

المنقلة

هي إحدى الأدوات الهندسية للرسم، وتستخدم في رسم أية زاوية مطلوبة.

علبة المدور والتحبير

ولها مقاييس وأشكال مختلفة والأساس فيها هو المدور وريشة التحبير وأهم أجزائها:

  • المدور الكبير ويستعمل في رسم الدوائر حيث يوجد بأحد أطرافه سن معدني مدبب وبالطرف الآخر سن رصاص الذي يجب أن يكون من نفس سن قلم الرصاص المستعمل في الرسم. وفي حالة التحبير يمكن تبديل حامل سن الرصاص بريشة التحبير.
  • مدور مدبب الطرفين لنقل الأبعاد.
  • ريشة تحبير لرسم الخطوط بالحبر.

ورق الرسم

يستخدم الورق الأبيض في تحضير الرسومات ولها مقاييس ثابتة مصطلح عليها، وله أنواع كثيرة، فمنه الناعم، والمتوسط النعومة والخشن، منه الخفيف الوزن والثقيل ومنه الأبيض، أو المتوسط أو الأصفر أو الأبيض المائل إلى الحمرة ولقد اصطلح على مقاييس ثابتة لورق الرسم بحيث تكون نسبة طول اللوحة إلى عرضها = جذر 2 أي إذا كان عرض اللوحة 1 يكون طولها جذر 2.

خطوط الرسم الهندسي وأنواعها

الرسم الصناعي لغة كما هو معلوم هدفها قراءة وكتابة رسومات تمثل الأجزاء الآلية من الماكينات والمعدات وتعتبر الدليل الكامل السليم عن الأجسام، فكل ما سيحويه الرسم يعطي صورة كاملة عن الجسم وصفاته وأبعاده وحالته التي يكون عليها، إذا أنتج صناعيًا فهاك صفات أو خواص تكون موجودة في الجسم على صورة ما أو داخله في تركيب معدنه يصعب بيانها بنفس على الرسم، وبكن يمكن تمثيلها وبيانها على الرسم عن طريق ملاحظة قصيرة أو عن طريق علامات اصطلح عليها وقد تضاف إلى الرسم خطوط مساعدة لتسهيل عملية الإعداد أو القراءة للرسم.

مثال على ذلك خطوط المحاور، والخطوط الدالة لخطوط الأبعاد، وكذلك فإن هناك خطوط اصطلح عليها للتدليل على أشياء واقعية موجودة في الجسم مثال ذلك الفراغات الداخلية في الجسم رغم وجودها فإنها ترسم بخطوط منقطة تعني أنها مختفية بعكس الخطوط المرئية التي ترسم خطوط كاملة.

مما تقدم يتضح أن جميع الرسومات الهندسية والميكانيكية تحتوي على الأنواع التالية من الخطوط:

  1. خطوط واقعية وموجوة في الجسم وهي الخطوط التي تمثل تقاطع السطوح الظاهرة في الجسم، وهذه ترسم خطوط ظاهرة كاملة.
  2. الخطوط المختفية وغير الظاهرة من الجسم وقد اصطلح على رسمها خطوط منقطة وهي الخطوط التي تمثل تقاطع السطوح المختفية في الجسم.
  3. خطوط لا وجود لها في الجسم ولكنها ضرورية لقراءة الرسم وهي خطوط المحاور (المراكز للدوائر ومحاور التناظر) والخطوط الدالة للأبعاد وخطوط الأبعاد والأرقام الدالة على مقدار البعد والأسهم والخطوط تحديد مسار القطع وخطوط الكسر في المعادن.

تقسم خطوط الرسم إلى مجموعات تختلف بنوعها وسماكتها، ولكل خط دلالته واستعماله، ويوضح الشكل (2) هذه الأنواع.

أنواع خطوط الرسم.jpg

مع العلم أن الخط الحقيقي المعتمد والشائع يكون ما بين 0.7 و0.9 و1.2مم وبناءً عليه تكون الخطوط الأخرى.

أما الكتابة في الرسم فقد اعتمدت فيها الحروف اللاتينية القوطية، وبسماكة واحدة وتكتب بشكل قائم أو بزاوية ميل 75 ْ تبعاً لحجم الرسم وبيناته (الشكل -3).

كذلك عُدَّ الخـط الكـوفي أساساً للكتابـة في الرسوم الهندسية، باعتبار أن الحرف الكوفي هو الأقرب إلى الناحية الهندسـية من دون غيره من الحروف (الشكل -4).

الحروف اللاتينية المستخدمة في الرسم.jpg
الخط الكوفي المستخدم للكتابة في الرسوم الهندسية.jpg

مقياس الرسم

يحتاج في بعض الأحيان تكبير أو تصغير القطعة المطلوب رسمها لتناسب حجم اللوحة المرسوم فيها أو لتوضيحها بشكل أفضل. لذلك اصطلح على مقاييس ثابتة ولو أنه من المفضل بمقياس 1:1.

الأبعاد وطريقة كتابتها

إن رسم مساقط أي جسم كافية جدًا أن تعطي تفاصيل هذا الجسم وتحدد معالمه وتكوينه من حيث الشكل فقط، أما من حيث الإنتاج والتصنيع فهي لا تكفي لعدم توفر الأبعاد والمقاييس اللازمة لإنتاج هذا الجسم، لذلك اصطلح على وضع الأبعاد والمقاييس وفق طرق خاصة بحيث تكون كافية لإظهار الجسم بأبعاده الحقيقية ليمكن صناعته وإنتاجه.

وتوضع هذه الأبعاد على المساقط بصورة خطوط تختلف عن الخطوط المكونة للشكل من حيث السماكة ووجود ملحقات لهذه الخطوط مثل الرقم العددي والأسهم عند طرفي الخط، وخطوط تحديد البعد ويجب كتابة الأبعاد بشكل لا يحتاج العامل إلى قياس أي بعد من الرسم وخاصة وأن بعض الأجسام ترسم بمقياس رسم مناسب حسب حجمه.

وخط البعد يكون رفيع في سمكه عن خطوط الرسم (راجع لوحة أنواع خطوط الرسم) ويكون وضعه عادة موازيًا للموضع المراد التعبير عن طوله، ماعدا حالات خاصة لمواضع معينة، كالدائرة حيث يكون الخط منهيًا عند طرفيه بسهمين ومتعامد على خطين رفيعين يسميان خطوط التحديد. وأحيانًا تستخدم خطوط المحاور بدلا من خطوط التحديد.

أنواع الرسومات الهندسية

هناك ما يعرف برسم المساقط الذي يمكن من خلاله رسم الجسم من أكثر من جانب: عمومًا يكون ذلك من خلال مسقط أمامي (رأسي) وخلفي (أفقي) وجانبي أو ما يعرف بالإسقاطات النظامية (Orthographic Projections)، ويمكن رسم مساقط مساعدة (Auxiliary Projections) لتوضيح معالم منطقة من الجسم لا تتضح من خلال المساقط الرئيسية.

ويمكن رسم قطاعات للجسم وذلك من أجل معرفة التفاصيل المختفية للجسم، وذلك بتصور أنه تم قطع الجسم عند مستوى معين (أو أكثر من مستوى) ورسم ما نراه.

هناك ما يعرف بالرسم التماثلي (أيزومتري) وهو يبين الجسم ثلاثي الأبعاد، وهو من أكثر أنواع الرسم سهولة في الإدراك البصري.

وهناك ثلاثة أنواع رئيسة للرسم الهندسي وهي:

1- الرسم التنفيذي: وهو النوع الأهم والرئيسي من الأنواع الثلاثة، وتسمى لوحاته بالرسوم التشغيلية، وتستخدم في جميع أقسام التنفيذ والإنتاج والتصميم، وفي شتى الأعمال الصناعية والإنشائية والمدنية، إذ تُعطى جميع المعلومات والبيانات اللازمة لتنفيذ التصميم الواحد على ورقة الرسم مباشرة، بدءاً من الشكل ونوع المعدن وحتى التسامحات وغير ذلك من المواصفات وانتهاءً بعلامات التشغيل، كما في الشكل (5 - أ).

الرسم التنفيذي.jpg

أما في الرسوم المعمارية والمدنية الإنشائية فتكون بحسب الشكل (5 - ب) الذي يحدد توزع الغرف والقاعات والمنافع وأماكن الخدمات وما يفترض وجوده من لوازم في كل مسكن أو موقع، مع الأبعاد وتوزع المحاور وغيرها.

رسم تنفيذي يحدد توزع الغرف والقاعات وغيرها.jpg

- الرسم الإنشائي (التجميعي): يُساعد هذا النوع من الرسم على بيان مكان توضُّع القطع بالنسبة إلى غيرها في الجهاز أو الآلة بعد إنتاجها وفي أثناء الاستخدام، كما يساعد على أعمال التركيب والفك والصيانة. وتُلحق بالرسوم عادة جداول خاصة يُبيِّن عليها اسم القطعة ونوع معدنها والعدد المطلوب منها وكل قطعة بحسب رقمها، كما توضع الملاحظات اللازمة إن وجدت.

أما في الرسم الهندسي المعماري أو المدني فتوزع الغرف والصالونات والمنافع وأمكنة الأبواب والنوافذ والمحاور في الأبنية. وربما وُجدِت بعض القطاعات أو المقاطع الأخرى في الرسم، ويوضح فيها أبعاد الغرف ومساحاتها وتوزعها والجدران الفاصلة والنوافذ والأبواب وأماكن الصرف الصحي، وتُرَمَّز القطع أو الغرف بحسب أهميتها وطريقة توضُّعها. أما محاور الجدران والبناء، فيعبَّر عنها بالأحرف والرموز.

3- الرسم الإجمالي: يُستخدم هذا النوع من الرسم لإيضاح الشكل الكلي أو المنظر الكلي للآلة أو الجهاز أو البناء عامة. ويرفق بهذا الرسم جدول يتضمن التسمية وأجزاءها المرقمة والبيانات الخاصة بكل قطعة (الشكل -6). والمنظر العام للبناء (الشكل -7).

رسم تخطيطي يبين النظام الميكانيكي لمكنة خياطة منزلية.jpg
المنظر العام للبناء.jpg

هناك أيضاً ما يسمى الرسم الكروكي أو المختصر ويستخدم عادة لرسم منظور أو مجسم لقطعة ما، أو لفكرة تصميمية وردت، فتطرح الأفكار على الورق العادي أولاً ومن ثم تحضر فنياً بالأدوات الهندسية اللازمة كما في الرسم التنفيذي. (الشكل 8 - أ، ب).

خطأ في إنشاء صورة مصغرة: الملف مفقود
رسم مجسم.jpg

أنماط الخط وأنواع

Multiple views and projections

Image of a part represented in First Angle Projection
Symbols used to define whether a projection is either Third Angle (right) or First Angle (left).

Orthographic projection

Auxiliary projection

Isometric projection

منظور

Section Views

مقياس

عرض أبعاد

مثال عن الرسم الهندسي

منظور إيزومتري
Mech draw 1.svg

فيما يلي مثال عن الرسم الهندسي. وأنواع الخطوط المختلفة ملونة من أجل التوضيح.

  • الأسود = خطوط الجسم الرئيسية وخطوط التهشير.
  • الأحمر = الخطوط المخفية.
  • الأزرق = خطوط المراكز.
  • الأرجواني = مستوي القطع.

الرسومات التي على اليسار هي

  1. المسقط الرأسى (الرسم الأعلى) وينتج من النظر إلى الجسم بحيث تكون الأشعة من العين إلى كل خط في الواجهة الأمامية في الجسم في اتجاه أفقي وعمودي في نفس الوقت على الجسم نفسه.
  2. المسقط الأفقي (الرسم الأوسط) وينتج من النظر إلى الجسم بحيث تكون الأشعة من العين إلى كل خط في الواجهة العليا في الجسم في اتجاه رأسي وعمودي في نفس الوقت على الجسم نفسه.
  3. المسقط الجانبى الأيسر (الرسم الذي على يسار الشكل) وينتج من النظر إلى الجسم بحيث تكون الأشعة من العين إلى كل خط في الواجهة الجانبية اليمنى للجسم في اتجاه أفقي وعمودي في نفس الوقت على الجانب الأيمن للجسم.

وهذه المساقط الثلاثة هي الأكثر استعمالا، ويمكن عمل ثلاثة مساقط أخرى للجسم بالنظر في اتجاهات عكسية للاتجاهات التي نظر فيها بالنسبة للمساقط السابقة. (انظر الخواص العامة للرسم الهندسى)

بالنسبة للرسم أسفل الشكل (أسفل المسقط الأفقى) فهو يسمى مقطع وينتج من تخيل قطع الجسم عند مستوى معين (أو أكثر من مستوى) يسمى مستوى القطع والأجزاء التي سيحدث بها قطع تميز بخطوط مائلة ترسم عليها تسمى (تهشير).

أحجام لوحات الرسم

A size illustration.svg

تتبع أحجام لوحات الرسم نظامين قياسيين، الإيزو، والنظام الأمريكي وفقًا للجداول التالية:

أحجام لوحات الرسم وفق نظام الإيزو (مم)
A4 210 X 297
A3 297 X 420
A2 420 X 594
A1 594 X 841
A0 841 X 1189
أحجام لوحات الرسم حسب النظام الأمريكي
A 8.5" X 11"
B 11" X 17"
C 17" X 22"
D 22" X 34"
E 34" X 44"
أحجام أخرى في النظام الأمريكي
D1 24" X 36"
E1 30" X 42"

Technical lettering

انظر أيضًا

الرسم الصناعي

المصادر

  • [1]
  • محمد بسام شفيق الخباز. "رسم هندسي". الموسوعة العربية.

قراءات أخرى

  • Basant Agrawal and C M Agrawal (2008). Engineering Drawing. Tata McGraw Hill, New Delhi. [2]
  • Paige Davis, Karen Renee Juneau (2000). Engineering Drawing
  • David A. Madsen, Karen Schertz, (2001) Engineering Drawing & Design‎. Delmar Thomson Learning. [3]
  • Cecil Howard Jensen, Jay D. Helsel, Donald D. Voisinet Computer-aided engineering drawing using AutoCAD.
  • Warren Jacob Luzadder (1959). Fundamentals of engineering drawing for technical students and professional.
  • M.A. Parker, F. Pickup (1990) Engineering Drawing with Worked Examples‎.
  • Colin H. Simmons, Dennis E. Maguire Manual of engineering drawing. Elsevier.
  • Cecil Howard Jensen (2001). Interpreting Engineering Drawings‎.

وصلات خارجية

موقع لتعليم الاوتوكاد بالعربي