مقوم
الـمقوم أو الموحد-بالانكليزية Rectifier عبارة عن جهاز كهربائي يقوم بتحويل الاشارة الكهربائية المترددة إلى إشارة تيار مستمر. وهو شائع الاستخدام في الكثير من التطبيقات الكهربائية والأجهزة الالكترونية مثل الشاحن الكهربائي ومجسات الاشارة الراديوية.
يدعى الجهاز الذي يقوم بعكس وظيفة المقوم بالعاكس حيث يحول إشارة التيار المستمر إلى تيار متردد.
انواع المقومات
يمكن تصنيف المقومات وفقا لـ:
- التكنولموجيا المستخدمة - قديما كانت تستخدم الصمامات المفرغة لتقويم التيار الكهربي، كما ظهر نوع اخر من المقومات مثل وصلة اكسيد النحاس. لكن ومع ظهور اشباه الموصلات أصبحت هي المستخدمة حاليا وأشهرها نوعان: ثنائيات السيلكون وثنائيات الجرمانيوم. تتميز الموحدات المستخدم فيها شبه الموصل في رخص ثمنها وصغر حجمها وقلة استهلاكها للطاقة وكذلك كفأتها.
- عملية التقويم - موحد نصف الموجة وموحد الموجة الكاملة.
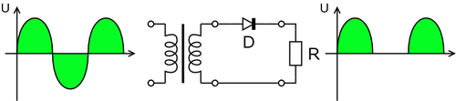
موحد نصف الموجة
وفيه تتم عملية تقويم (أو بالاحرى تمرير) اما الموجة الموجبة أو السالبة (اعتمادا على وضعية الثنائي في الدائرة). يستخدم ثنائي واحد في دوائر احادي الطور أو ثلاثة في الدوائر ثلاثية الطور. كما في الشكل التالي يلاحظ أن الثنائي يمرر نصف الموجة بينما يرفض النصف الاخر.
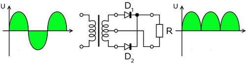
موحد الموجة الكاملة
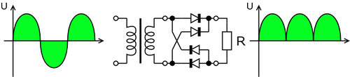
إذا تم تقويم الموجة بنصفيها الموجب والسالب لتصبح كلها في اتجاه واحد (دالة القيمة المطلقة|رياضيات)فإن الموحد يدعى بموحد الموجة الكاملة. هناك طريقتان شهيرنان لتحصيل هذه المهمة: طريقة اربعة ثنائيات وطريقة ثنائين مع محول. عند استخدام اربعة ثنائيات (موحد الجسر أو القنطرة) يقوم ثنائيان بتمرير نصف الموجة الأولى إلى طرفي حمل بينما يتولى الثنائيان الاخران مهمة رفض التوجيه الخطأ (انعكاس) وفي النصف الاخر تنعكس العملية.
في الدوائر احادية الطور يمكن اعادة العملية السابقة باستخدام ثنائين ومحول كهربائي ذي ثلاثة أطراف كما في الشكل. لاحظ ان جهد الخرج هو نصف جهد الملف الثانوي في المحول وذلك لان الملف الثانوي قد فسم إلى ملفين متساويين في قيمة الجهد ومتعاكسين في الاتجاه.
الشكل التالي يبين عملية توحيد الدوائر ثلاثية الطور.
المقوم العملي
بسبب جهد الانحياز الحرج الذي تمتلكه الثنائيات لكي تعمل فأن الموجة الناتجة عن عملية التوحيد تكون دائما أقل من الموجة المثالية بمقدار جهد الانحياز (حولي 0.3 فولت في الجرمانيوم و 0.6 فولت في السيلكون) كمايظهر دائما قطع للجهود الاقل من جهد الانحياز.
تنعيم خرج المقوم
يمكن تحويل الموجات المقومة إلى تيار مستمر ثابت القيمة مثل تيار البطارية بإضافة مكثف كهربائي و مقاومة كهربائية. ستظل ناك دائما بعض القمم الصغيرة (اشبه بسن المنشار) والتي تتناسب قيمتها مع تيار الحمل ويمكن تحسين عملية التنعيم أكثر بإضافة ثنائي زنر مناسب.
مقومات مضاعف الجهد
يمكن الاستفادة من مقوم نصف الموجة بإضافة مجموعة من الثنائيات والمكثفات مرتبطة بشكل معين في الدائرة كما في الشكل لتعمل كجهاز مضاعف أو رافع لفولتية التيار المستمر.
التطبيقات
الغرض الرئيسي هو جعل تغذية احمال التيار المستمر من دوائر التيار المتردد ممكنة وبشكل خاص الأجهزة الالكترونية. يوجد تطبيق اخر للمقومات في تحسس الاشاراة الراديوية التي تستخدم عملية التضمين.
انظر ايضا
المصادر
- كتاب بويل ستد للاكترونيات Electronic Devices and Circuit Theory, 9/E. Robert Boylestad, Queensborough Community College. Louis Nashelsky, Queensborough Community College. ISBN 0-1311-8905-0
- التوحيد أو المقوم Rectifier - المهندس