عصبون
| العصبون | 
|---|
العصبون بالإنجليزية Neuron ، هو الوحدة العصبية الأساسية أو الخلية العصبية التي تكون بتشابكاتها مع عصبونات أخرى الألياف العصبية التي تكون بدورها الأعصاب ، يتألف كل عصبون من جسم الخلية الأساسي الذي يحوي جميع العضيات الخلوية الحيوانية لكنه يتميز بامتلاكه تشعبات عديدة تصله بغيره من العصبونات ، كما يمتلك تفرعاً وحيداً طويلاً مدعماً بغلاف صلب يدعى محور العصبون .
تركيب الخلية العصبية
 مقالات مفصلة: العصبون- الخلية العصبية
 
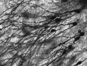
تتركب الخلية العصبية يتكون من جسم Cell Body و محور Axon و تغصنات Dendrites،و تتباين أبعاد جسم الخليةCell Body بين عدة ميكرونات و عدة مئات من الميكرونات و بينما لا يتجاوز بعضها 5 ميكرونات يصل بعضها حتى 130 ميكرونا عند الانسان,أو حتى 800 ميكرونا عند بعض اللافقاريات(عديمة الفقار) و تسمى عند ذلك بالخلايا العملاقة,و نظرا للفروق الهامة في الأبعاد الخلوية فإن حجوم هذه الخلايا تكون متنوعة للغاية,كما أن من خصائص العصبونات الهامة ذلك التباين الحجمي بين الاستطالات و الجسم الخلوي,و الذي لا يزال يجهل عنه الكثير....و توجد الأجسام الخلوية عادة في المادة السنجابية(المادة الرمادية) و في نوى الجهاز العصبي المركزي, كما توجد أيضا في مجموعات مستقلة خارج الجهاز العصبي المركزي (أي في الجهاز العصبي الإعاشي)وتعرف عند ذلك بالعقد العصبية كالعقد الشوكية و غيرها وجسم الخلية يحتوي على نواة الخلية و هي نواة كبيرة الحجم تحوي نوية أو نويتان و يحتوي جسم الخلية أيضا على جسيمات كوندريةMitochondrion و جهاز كولجي Golgi apparatus و جسيمات حالةLysosomes و حبيبات دهنية و غليكوجين إضافة الى تراكيب خاصة بالخلية العصبية هي جسيمات نيسل و شبكة من اللييفات العصبيةو تفتقد الخلايا العصبية إلى الجسيم المركزي مما يفقدها القدرة على الإنقسام و التكاثر.
و يبرز من سطح جسم الخلية تغصنات أو تشعبات أو استطالات بروتوبلاسمية و هي امتدادات هيولية(بروتوبلاسمية)غير متشابكة تصدر عن قاعدة ثخينة من جسم الخلية و تنتشر حوله,وتقل ثخانتها تدريجيا كلما ابتعدت عنه.تمتاز هذه التغصنات بغزارة تشعباتها لتحقق أكبر امكانية من الالتقاء بالعصبونات(الخلايا العصبية)الأخرى و لا يتجاوز طول هذه التغصنات الميلمتر الواحد في أغلب الأحيان و يختلف عددها من خلية الى أخرى و لتلك التغصنات علاقة في إستقبال أو نقل الإشارات الكهربائية إلى جسم الخلية العصبية حيث يستقبل جسم الخلية العصبية(جسم العصبون) الإشارات الكهربائية (العصبية) من العصبونات الأخرى عن طريق هذه التغصنات Dendrites كما و يمكن أن يستقبلها مباشرة من الخلية الأولى دون المرور بالتغصنات و يمكن أيضا في الحالة الثالثة أن تمر الاشارة العصبية من محوار(محور)الخلية العصبية الأولىAxon الى محوار الخلية الثانية دون المرور بالجسم ولكن ذلك كله (أي حالات انتقال الإشارة الثلاثة) تكون عن طريق ما يسمى بالمشابك Synapsis ، والمشبك هو عبارة عن فضاء(بحدود 20 نانومتر) عند إلتقاء محور عصبون مع: (1-جسم خلية أو 2-تغصنات أو 3-محور)عصبون آخر لنقل الإشارات الكهربائية عن طريق مواد كيماوية تُسمى الناقلات العصبية Neurotransmitters اذا فالمشبك هو منطقة اتصال وظيفي غير فيزيائي (أي لا يوجد تماس) بين عصبون و آخر بغرض نقل الاشارة من أحدهما إلى الآخر. والنواقل العصبية الكيميائية عديدة و منها الأسيتيل كولين Acetylcholine و الأدرينالين أو الأبينفيرين Adrenaline والنورأدرينالين أو النورأبينفرين Noradrenaline.
محور العصبون Axon هو عبارة عن إمتداد يخرج من جسم الخلية أو يمكن القول هو عبارة عن استطالة هيولية و لكنها ليست كالتغصنات اذ أنها طويلة و دائما وحيدة تنشأ من جسم الخلية من ذروة تعرف بالمخروط و تمتد بعيدا عن جسم الخلية,و تختلف أيضا عن التغصنات بأنها ذات قطر ثابت في كل مناطقها.يبدي تفرعات جانية عمودية عليه كما يمكن للمحور و تفرعاته الجانبية أن تعطي تغصنات تعرف بالشجيرات الانتهائية تتسع في نهايتها مشكلة انتفاخات يطلق عليهاالأزرار(Axon knob) تختزن فيها النواقل العصبية. وظيفته:يستقبل المحور الإشارات الكهربائية من جسم العصبون نفسه أو من محور عصبون أخر مباشرة و ينقلها الى الخلايا العصبية الأخرى. والمحور قد يكون مُغلف من الخارج بصفائح المايلين (النُخاعين) Myelin Sheaths وهي عبارة عن مادة دهنية فوسفوريةعازلة للمحور تشكل حوله غمدا يسمى غمد النخاعين,وهو غمد أبيض صدفي يعطي المادة البيضاء في الجهاز العصبي لونها الأبيض و لغمد النخاعين ثخانة منتظمة على طول المحور و بيدي انقطاعات حلقية منتظمة على طول المحور تحدد قطعا بين حلقية متساوية الطول تسمى هذه الإنقطاعات ب عقد أو اختناقات رانفييه تخرج عندها التفرعات الجانبية للمحوار و هي بدورها تكون مكسوة بغمد النخاعين. وان وجود غمد النخاعين و هذه الاختناقات يسرع نقل الإشارات الكهربائية،و قد يكون المحور محاطا بما يسمى غمد شوان و هو غمد هيولي رقيق شفاف يحوي داخله نوى متعددة(نواة في كل قطعة.و قد يغلف المحور كلا من غمد النخاعين و غمد شوان معا و قد لا يغلف المحور أيا من الغمدين و عندئذ تسمى المحاوير بالألياف العارية و توجد بالمادة الرمادية في الجهاز العصبي المركزي.
في الجهاز العصبي المركزي الخلايا الدبقية ذات النوع قليلة التغصنات Oligodendrocytes هي المسؤولة عن إنتاج النُخاعين، أما في الجهاز العصبي المُحيطي فخلايا شوان Schwann Cells هي المسؤولة عن إنتاج النُخاعين (المايلين).
أنواع الخلايا العصبية :
وتقسم الخلايا العصبية بالنسبة لعدد المحاور الاسطوانية إلى ثلاثة أنواع :
1. عصبونات وحيدة القطب : لها محور أسطواني واحد .
2. عصبونات ذات قطبين : لها محوران أسطوانيان .
3. عصبونات كثيرة الأقطاب : لها شجيرات عصبية غزيرة ، و بعضها له محور أسطواني .
أما حسب الوظيفة فتقسم الخلايا العصبية إلى ثلاثة أنواع رئيسية، هي :
1. خلية عصبية حسية : تعمل على نقل الإحساسات من عضو الاستقبال إلى الجهاز العصبي المركزي ، و تنتشر على الجلد و أعضاء حسية كالعين والأذن واللسان والأنف .
2. خلية عصبية محركة : تعمل على نقل الأوامر إلى أعضاء الاستجابة التي قد تكون إرادية او غير إرادية ، كالعضلات المخططة أو الملساء أو الغدد.
3. خلية عصبية موصلة : تعمل على ربط العصبونات المتجاوزة . وتجدر الإشارة إلى أن الجهاز العصبي لا يتكون كلياً من الخلايا العصبية فقط ، بل هناك بين العصبونات خلايا بنائية مختلفة الأشكال و الوظائف تدعى الدبق العصبي ( Glia ) وظيفتها نقل الأغذية والأوكسجين إلى العصبونات ونقل الفضلات من العصبونات إلى الدم .
المراجع
وصلات خارجية
- NeuronBankan online neuromics tool for cataloging neuronal types and synaptic connectivity.
 - High Resolution Neuroanatomical Images of Primate and Non-Primate Brains.
 
